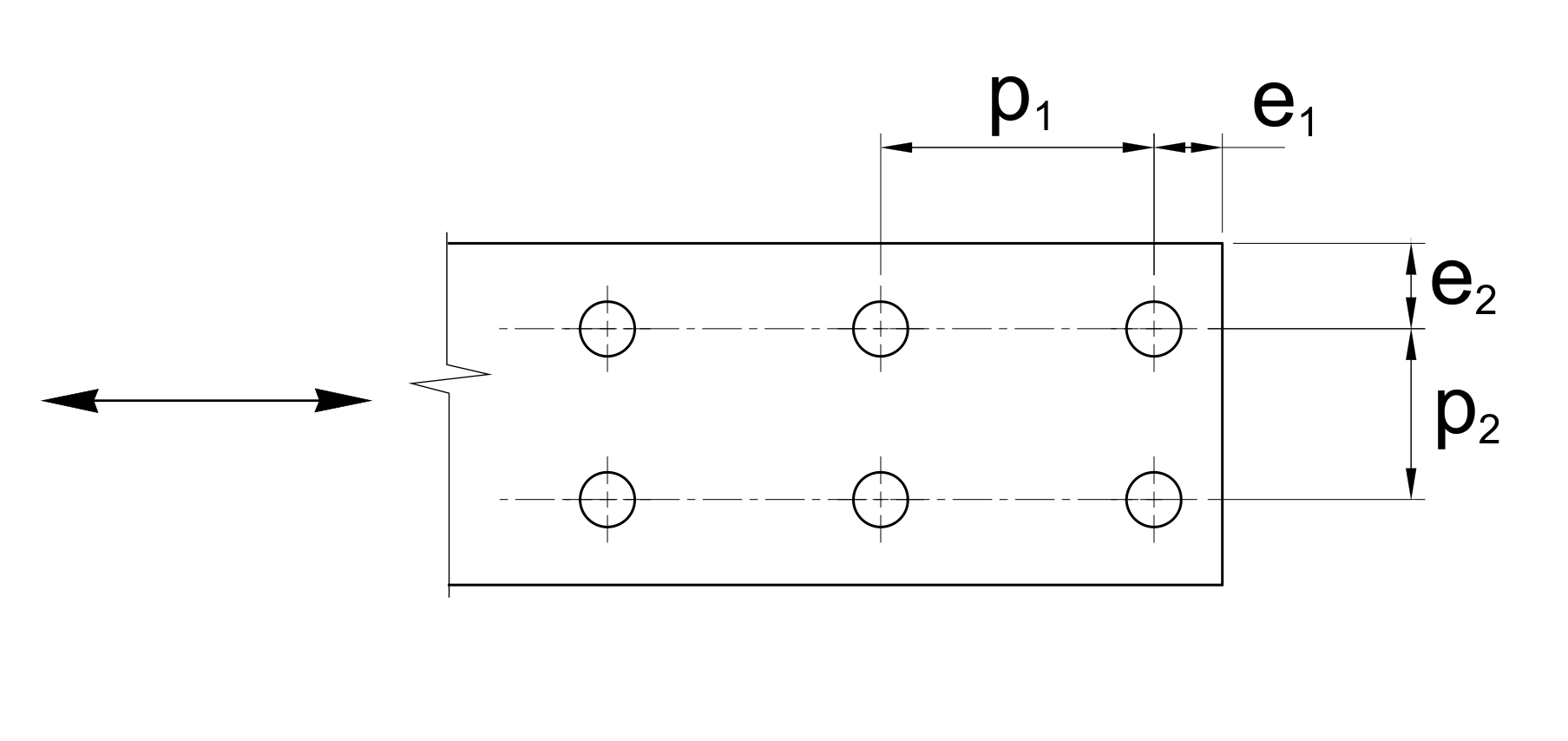
Vyberte typ skrutky a zadajte parametre pre výpočet odolnosti
Výsledok výpočtu má iba približnú a orientačnú predstavu a je generovaný automatizovaným nástrojom na základe Vami zadaných údajov. Prevádzkovateľ webovej stránky nezaručuje jeho presnosť a nenesie zodpovednosť za škody vzniknuté spoliehaním sa na tento výsledok. Za správne posúdenie vhodnosti riešenia v konkrétnom prípade zodpovedá používateľ.
Vždy aktuálne správy zo sveta statiky.
